세면대는 깨지지 않는 이상 고장날 부분이 거의 없는 구조로 되어 있긴한데, 폽업. 보통 우리가 쓰는 말로 물마개는 종종 고장이 난다.
우리집 같은 경우는 대림 세면대인 CL-350 반다리 일체형을 사용하고 있는 중인데, 딱 폽업 부분만 고장이 나서, 수리가 필요했다.
역시 인터넷에는 안파는게 없다. DL-P4027이 떡하니 검색된다. 가격은 대략 만원 정도.

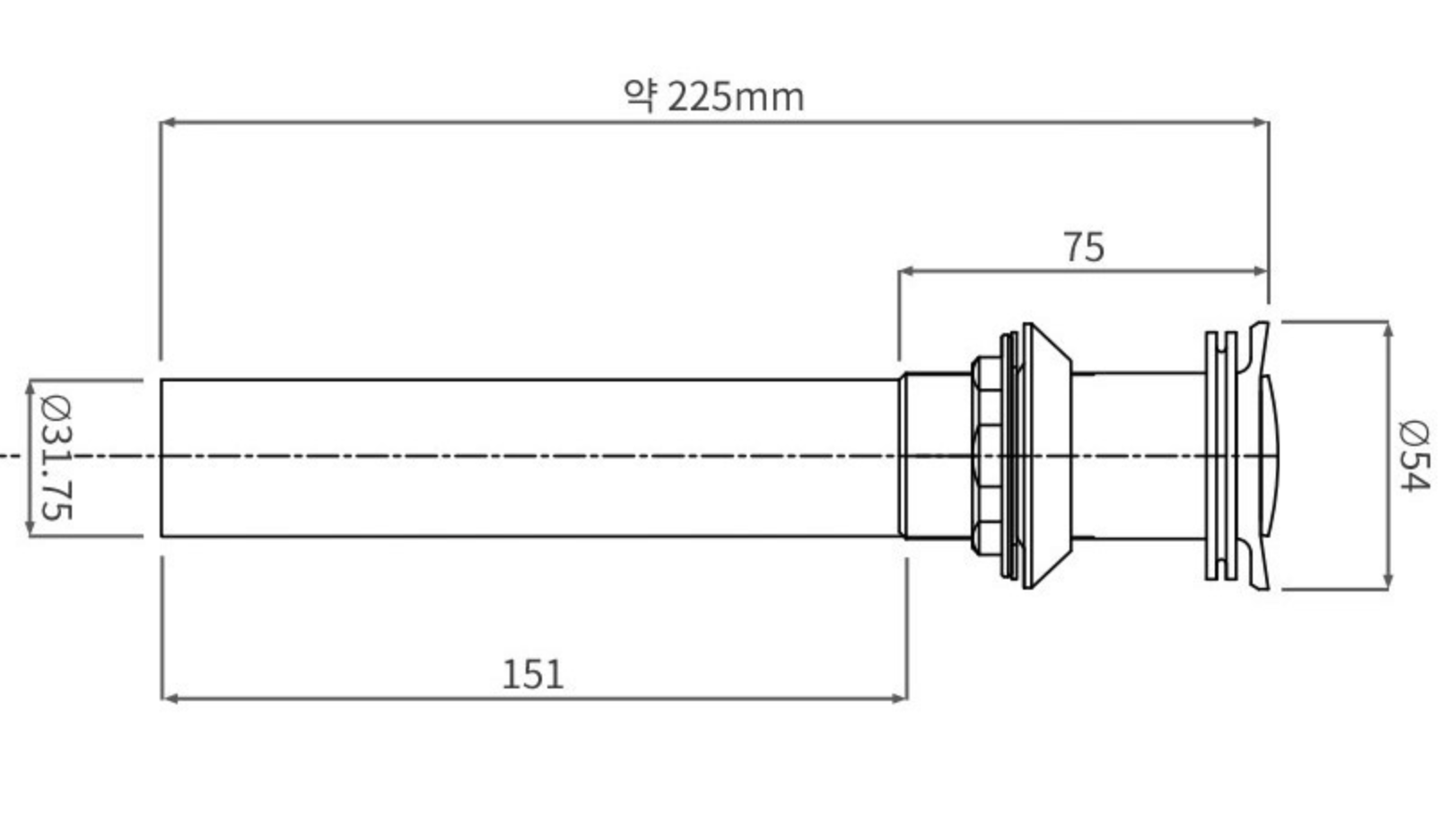
판매처에서 제공하는 도면인데, 이게 짧은거 같은데 은근히 딱맞는다. 하지만 집에 있는 기존 제품과의 비교는 어느정도 필요하다.
사전 준비물로는 우선 첼러나 스패너가 필요한데, 하단고무 패킹을 세면대 위쪽으로 꽉 조이기 위해서 필요하다. 이때 가운데 뚫려있는 부분이 같이 돌아가는 것을 막기 위해 세면대 위쪽에서 드라이버 같은 길쭉한 막대를 꼽아서 하단을 조일때 반대의 힘을 주면 훨씬 밀착이 잘 된다. 생각보다 꽉 조여야한다. 손으로는 어림도 없음. 물론 기존에 설치되어 있던 고장난 팝업을 제거하는일에도 반드시 스패너가 필요하다.

또한 세면대 자동팝업 세트는 상단부와 하단의 파이프로 분리가 되는데, 하단 파이프를 상단부와 연결시킬때, 아무런 방수조치가 안되어 있으므로, 별도의 테프론 테이프를 이용하여 한 5번~6번 정도 감아준 후, 상단부에 연결시켜야 나중에 누수가 발생하지 않는다.
아래의 설명을 보자.

세면대 하단 공간이 생각보다 비좁기 때문에, 스패너 너비는 적어도 4~6cm이상으로 조절할 수 있는 것을 추천하지만,
반면에 스패너의 길이(손잡이 부분)는 10cm를 넘으면 작업성이 확 떨어질 것이다. (반다리가 이쁘긴한데, 작업이 힘듬..)

설치 전이지만, 아주 깔끔하고 영롱하다. 중간 사진은 너무 힘들어서 생략하고, 아래와 같이 설치가 완료되었다.

설치 후 바로 끝내지 말고, 물을 막아 놓고, 하단의 고무 패킹 사이로 물이 새는지 확인해보고, 물을 어느정도 흘려서, 하단의 파이프 연결 부위에서 물이 새어 나오지 않는지 두 군데를 확인해봐야 한다. 테프론 테이프 안감아서 했다가 다시 풀었다 잠그는 쌩고생을 했다.
주변의 얼룩은 세면대 도기에 생긴 문제로, 이제 청소하면 된다..;; (아무래도 800방이나 1000방짜리 사포를 써야 할듯..)
만약 필요하다면 세면대 하단 트랩 세트 DL-P4031까지 같이 구매해서 교체를 하면 되는데, 기존에 설치된 트랩과 길이가 안맞을 수 있어서
파이프 커팅기가 필요하게 될 수도 있다..안되면 대림바스 콜센터에 연락해보자,..ㅠㅠ
기왕 적은 김에 몇가지 조사한 내용을 정리를 해보자면,
DL-P4027용으로 파이프 말고, 자동 폽업만 교체할 수 있도록 판매도 한다. 다만 자동 폽업 풀세트와 가격 차이가 거의 안나기 때문에, 내부 청소를 대신 할겸 같이 교체해준 것이다.
또한 하단 트랩은 그 모양에 따라 몇가지로 구분되는데, 우리집은 망치트랩으로 되어 있어서 설치가 아주 편리하다.
일명 P트랩이라고도 하는데, 직선형과는 다르게, 아래 표시된 하단부에 물이 채워져서 바닥 또는 벽에서 나오는 악취를 막아준다.
우리 집에 설치된것은 아래 제품보다 봉수량이 많도록 하단이 좀 더 크게 되어 있다.

S트랩은 다시 바닥으로 연결되기 때문에 최근 가정집에는 잘 쓰이지 않는 구조이므로, 리모델링시에 P트랩 (망치 트랩)으로 구조를 변경하는 것이 나중에 셀프 교체를 위해서도 추천할만 하다.
-----------
세면대 얼룩은 일단 베이킹소다와 식초 그리고 매직블럭으로는 안지워졌다.
결국 손톱 다듬다가 남은 손가락만한 손톱 사포로 살살 문질러봤더니 대성공. 굳이 다이소 안가고 해결했다.

한동안 잘 써보자.
'경험치 공유 + 999' 카테고리의 다른 글
| 시몬스 뷰티레스트 스위트 슈퍼싱글(SS) 사용기 (0) | 2024.08.23 |
|---|---|
| 하빈저 리프팅그립 사용기 (0) | 2024.08.20 |
| 평일의 레고랜드 후기 (1) | 2024.08.16 |
| 무아스 시력보호 내추럴 LED 스탠드 사용기 (0) | 2024.08.16 |
| 한샘 아임빅 수납침대 간단 후기 (리바트 코코니 수납침대와 비교) (0) | 2024.08.16 |